


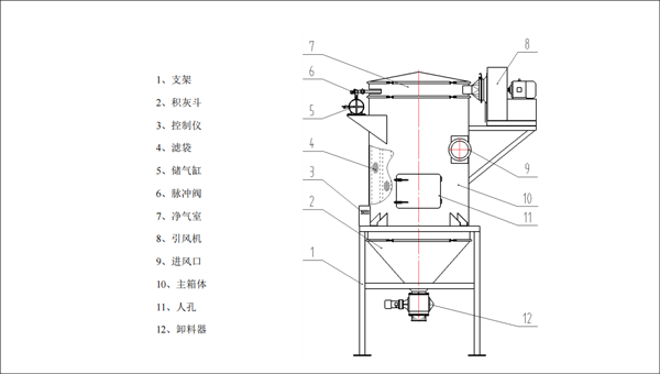
● 微負壓循環,無塵篩分。
● 具有清灰效果好、凈化效率高、處理風量大、濾袋壽命長、維修工作量小。
● 運行安全可靠。
● 與其它篩機配套使用收集粉塵、杜絕物料浪費。
| 型號 | 流量(m3/H) | 過濾面積(m2) | 過濾風速(m/min) | 濾袋數量(條) | 功率(kW) | 風壓(Pa) |
| DMC-6 | 1900~2500 | 6 | 2~4 | 6 | 1.1 | 1380~980 |
| DMC-9 | 2664~5628 | 18 | 2~4 | 9 | 3 | 1578~980 |
| DMC-16 | 4012~7419 | 32 | 2~4 | 16 | 5.5 | 2014~1320 |
| DMC-25 | 2664~5268 | 75 | 2~4 | 25 | 3 | 989~1578 |
我們不僅僅服務于500強企業 ……無論您在何地,我們都提供完善的服務與支持。
400電話